全国统一服务热线
400-610-6025
首 页
企业简介
公司概况
证书荣誉
组织结构
九游(中国)
业绩案例
工艺材料
行业动态
资料下载
九游平台
当前位置:
首页
>
图集
>
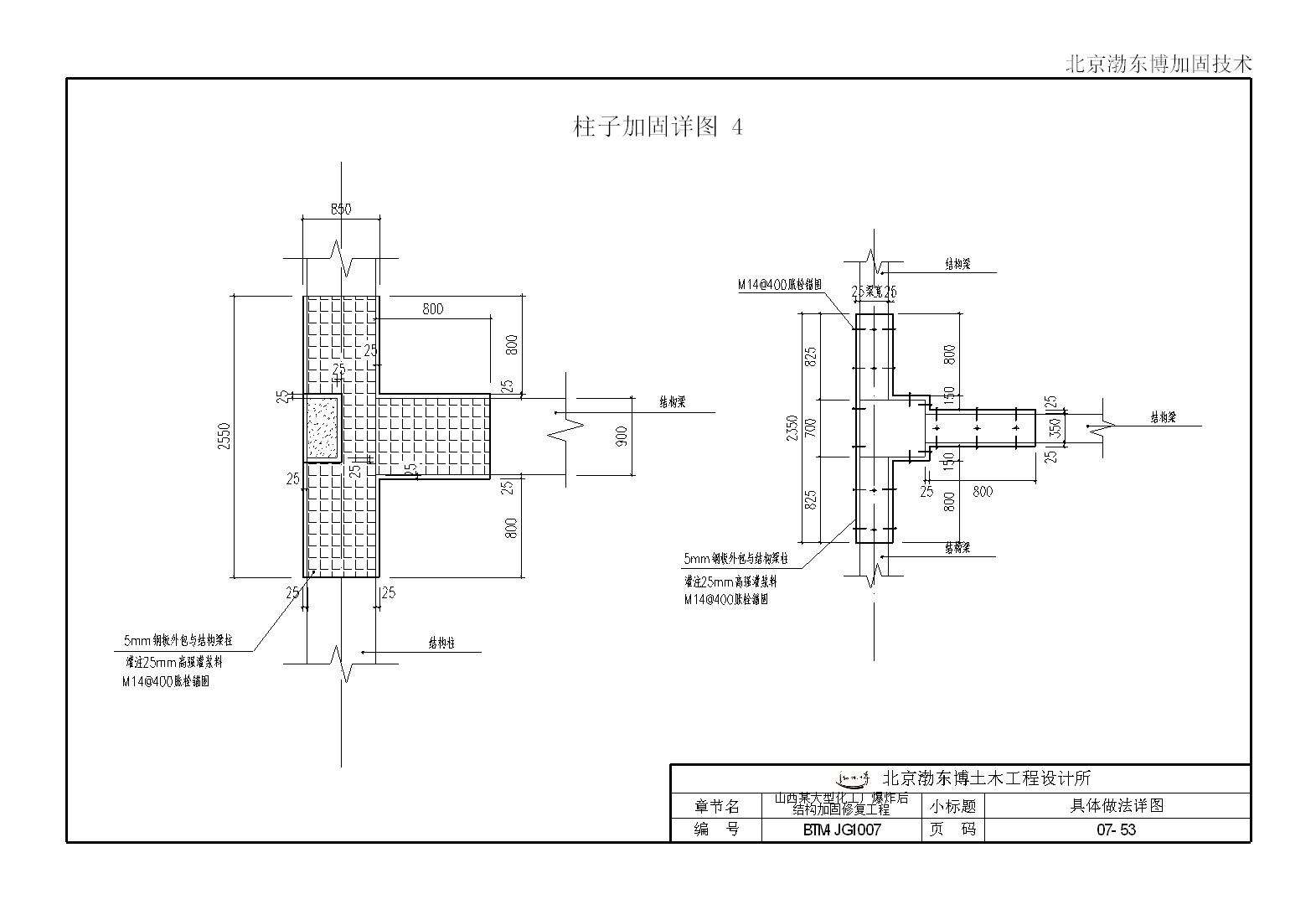
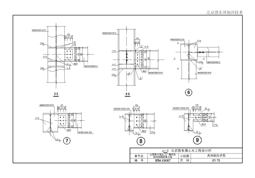
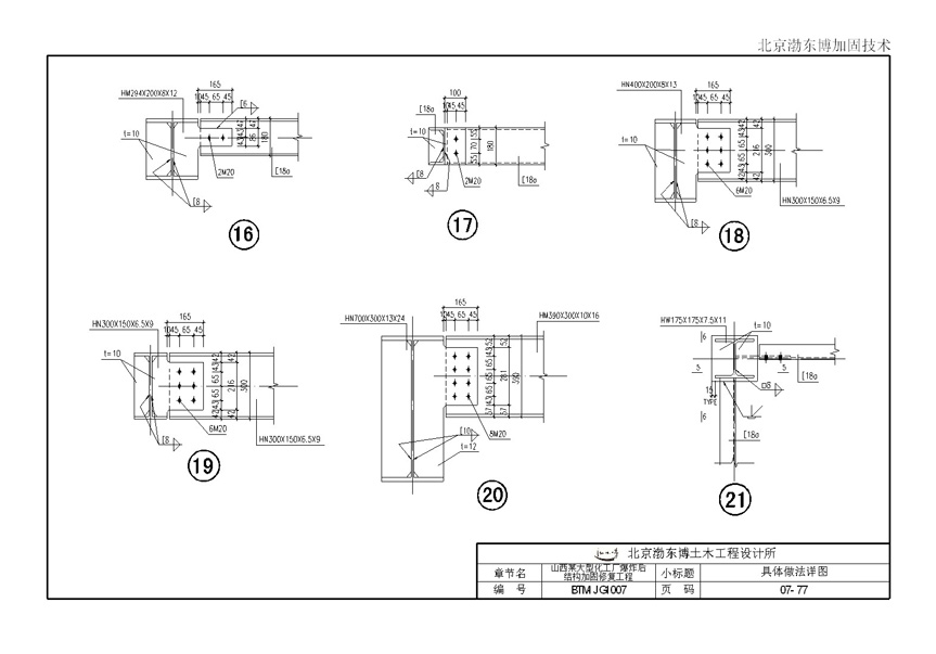
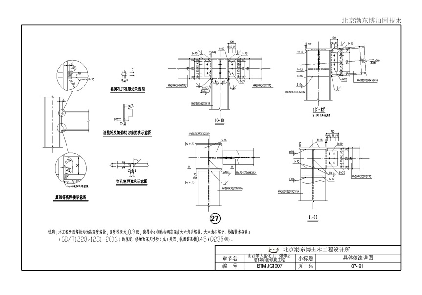
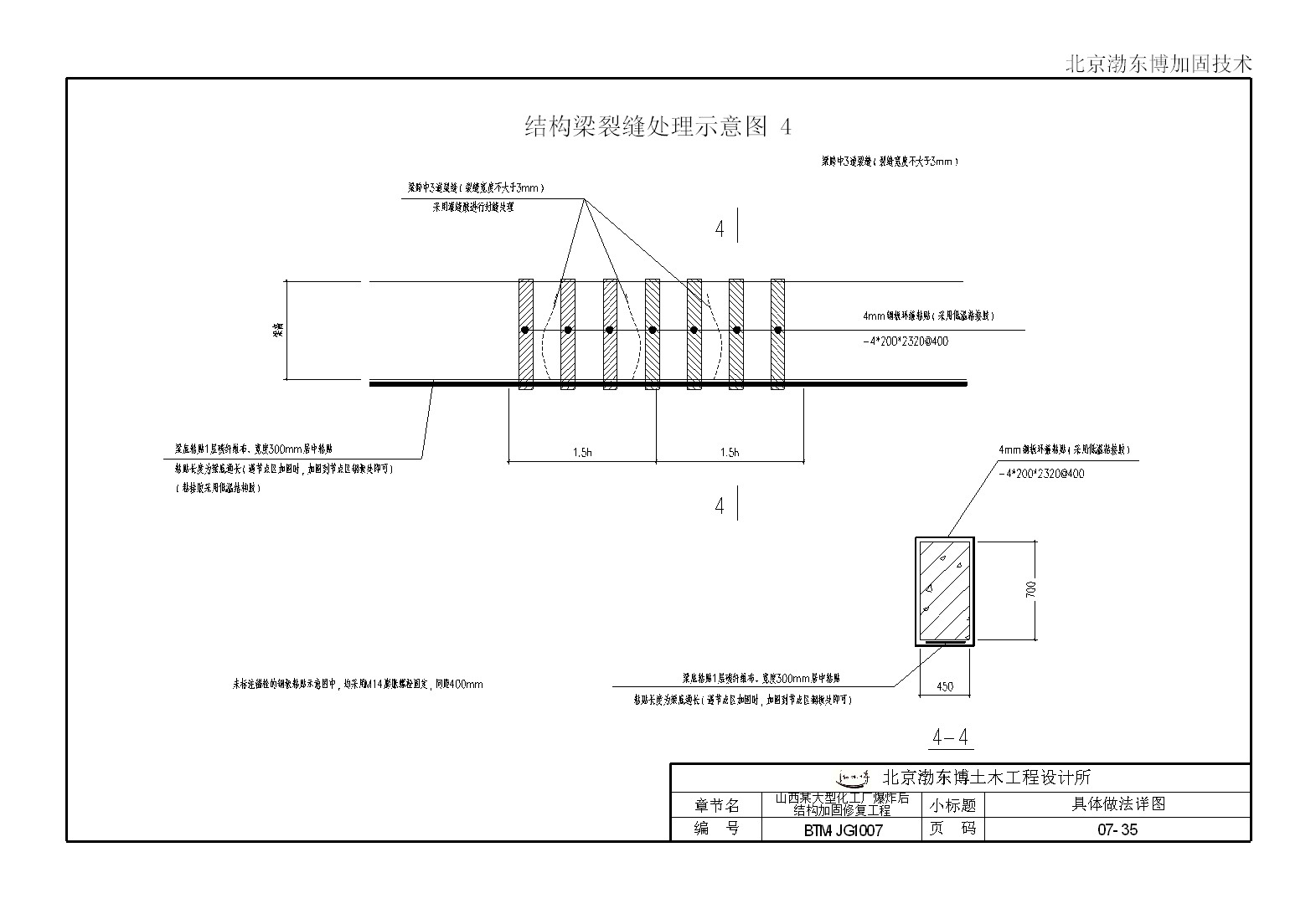
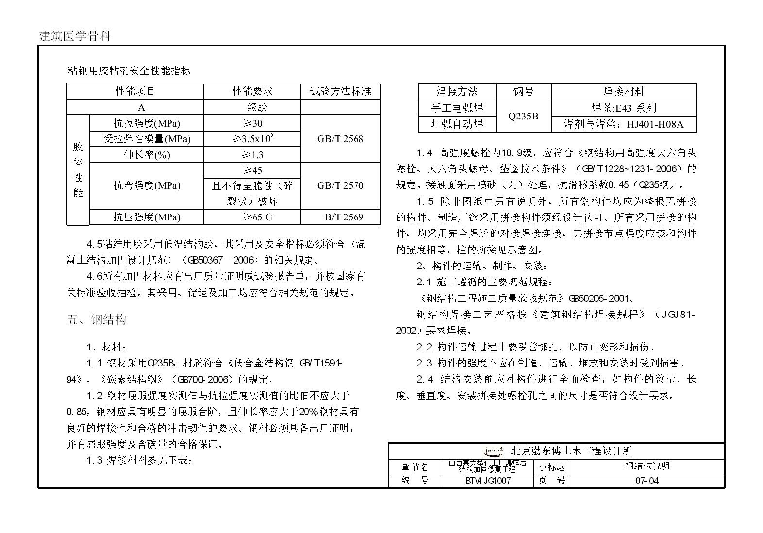
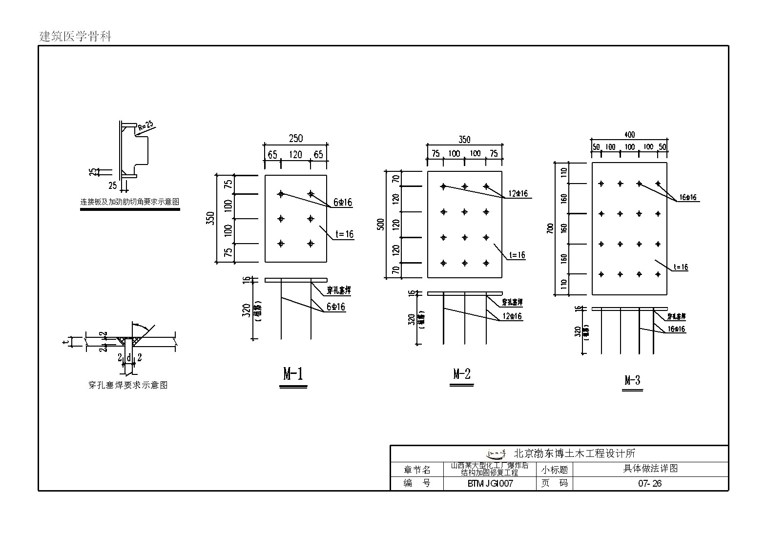
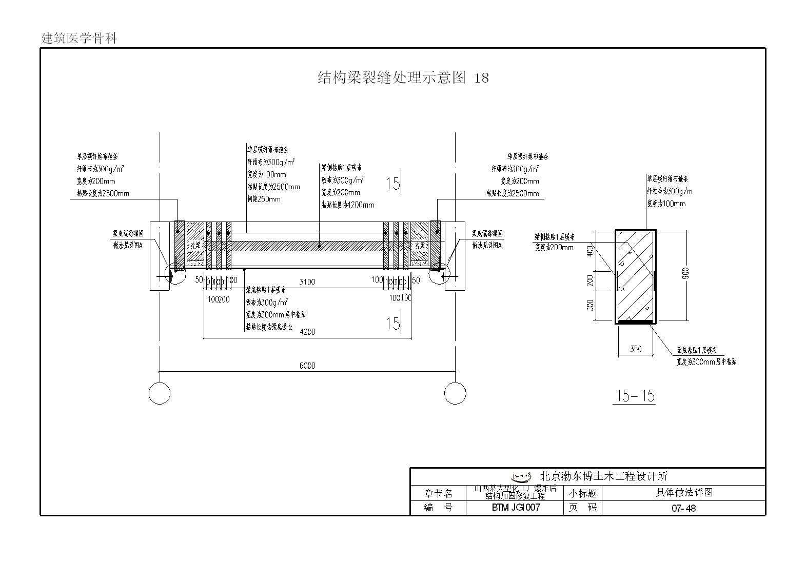
山西某大型化工厂爆炸后结构加固修复工程
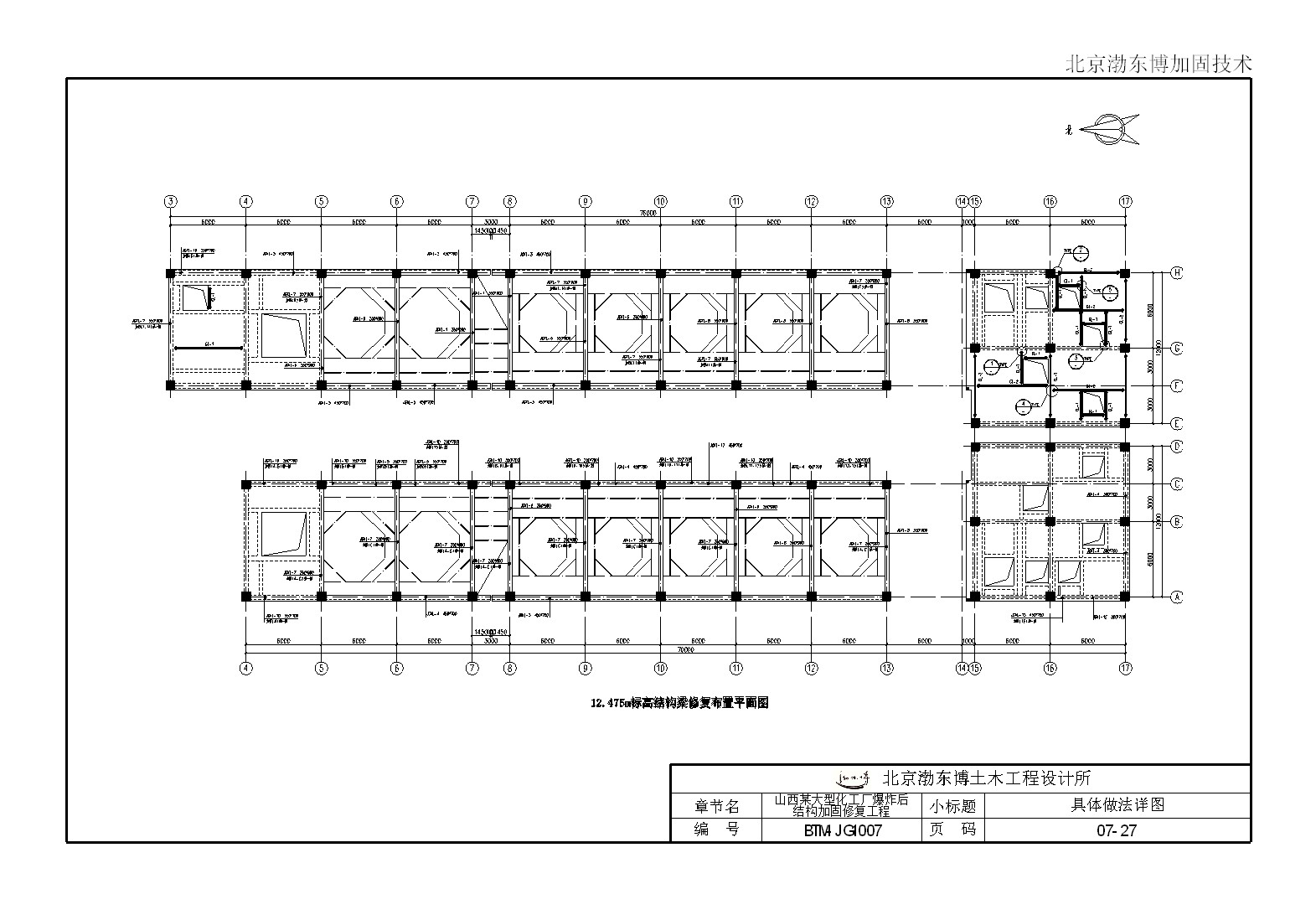
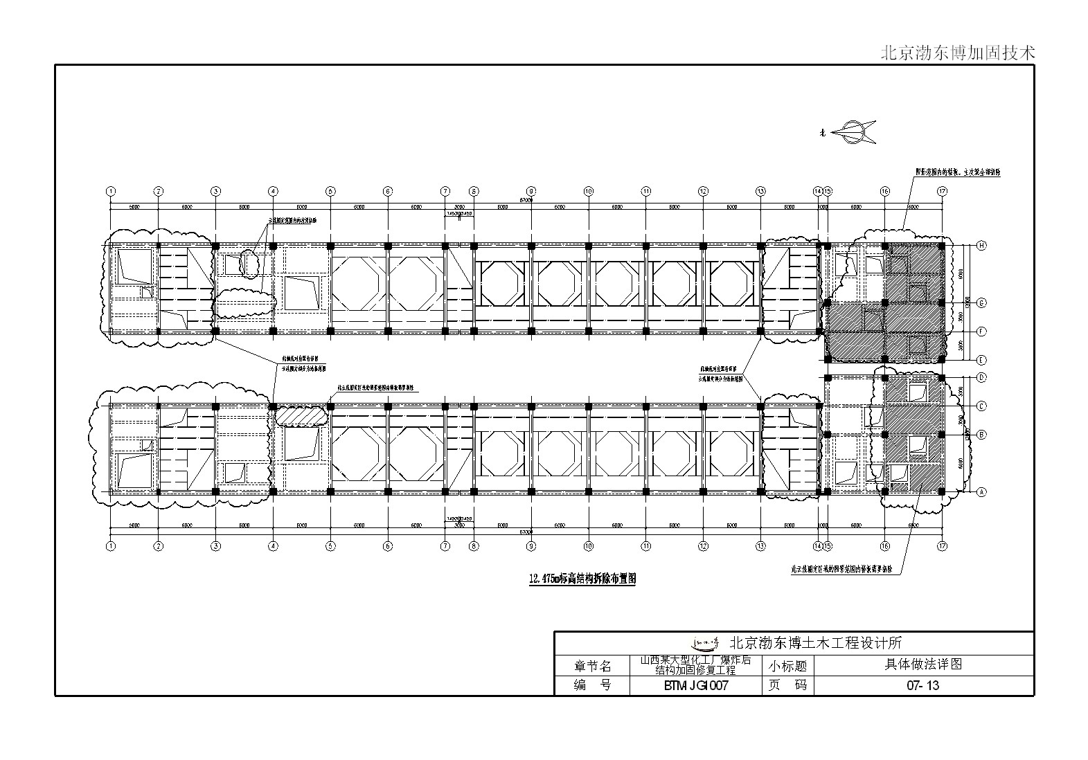
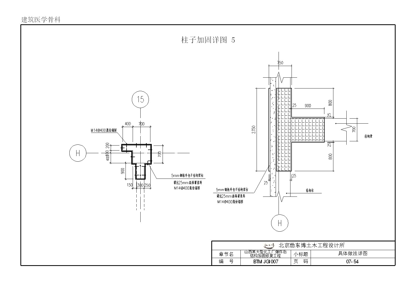
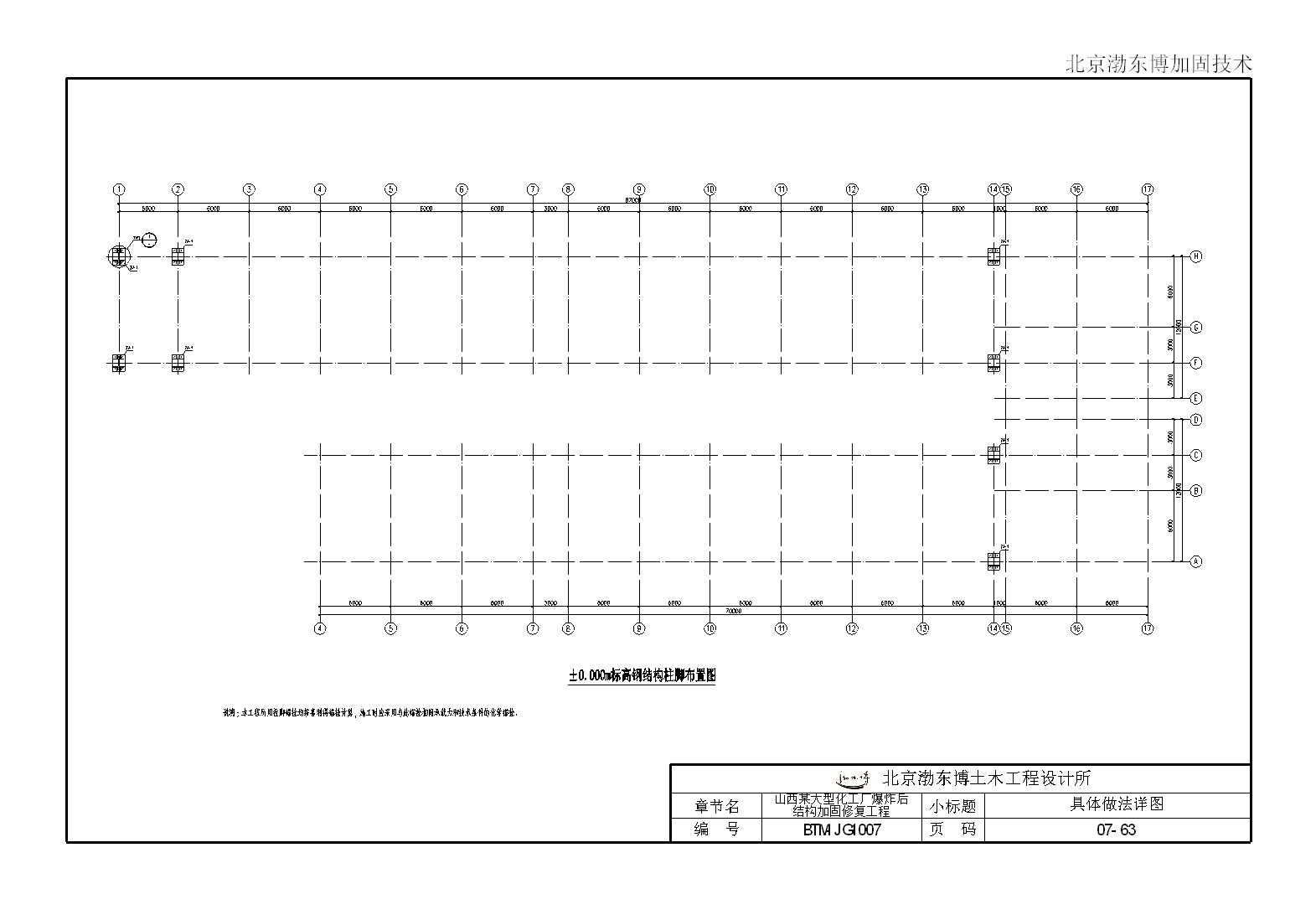
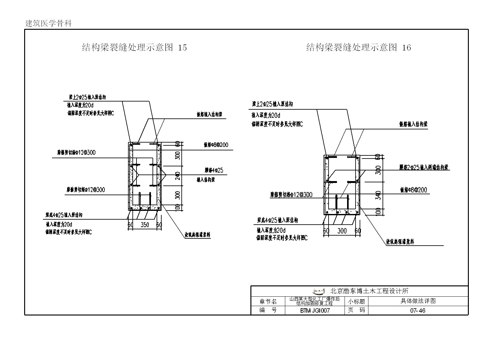
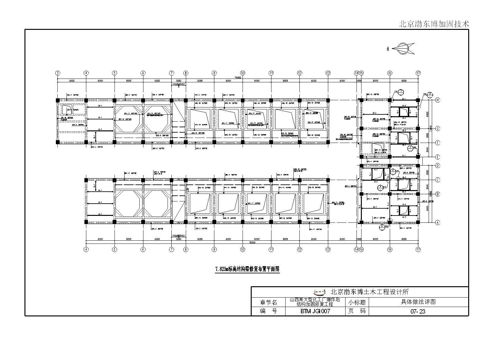
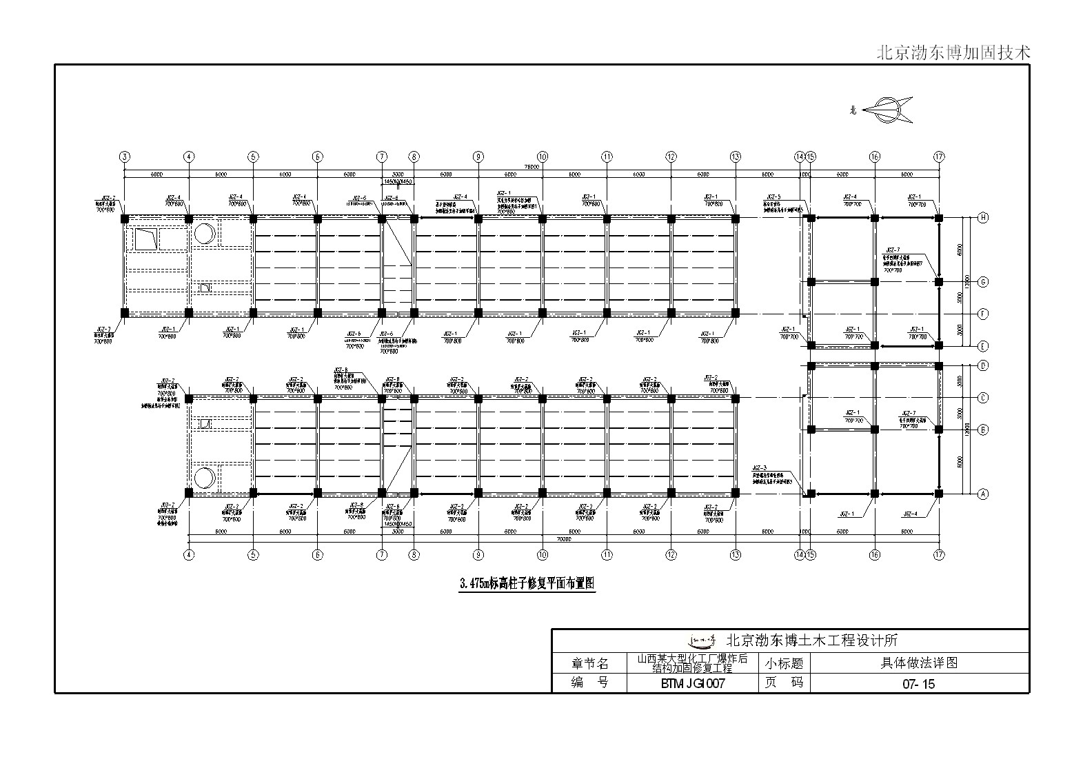
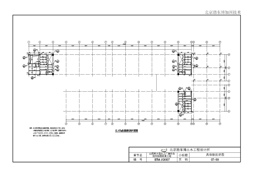
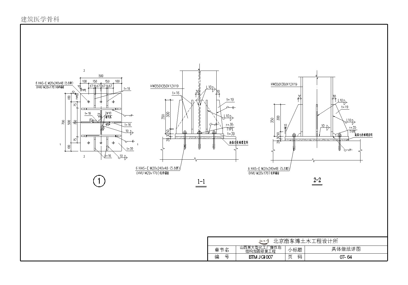
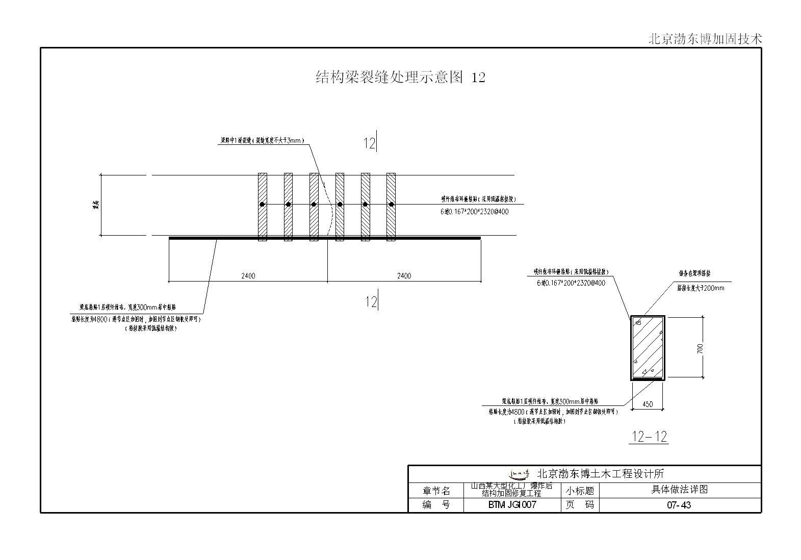
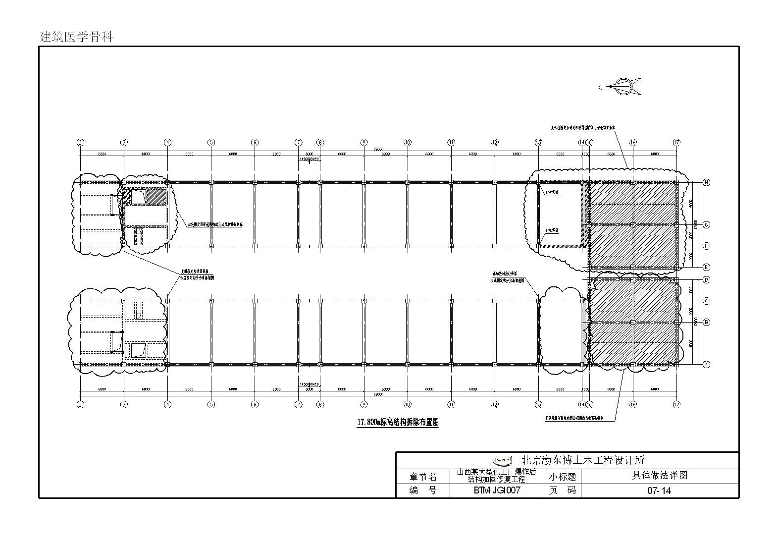
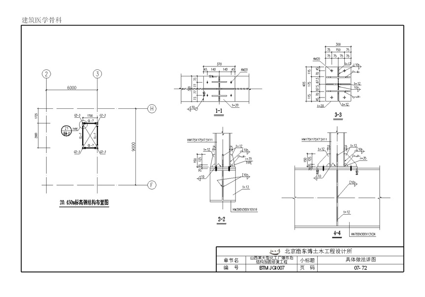
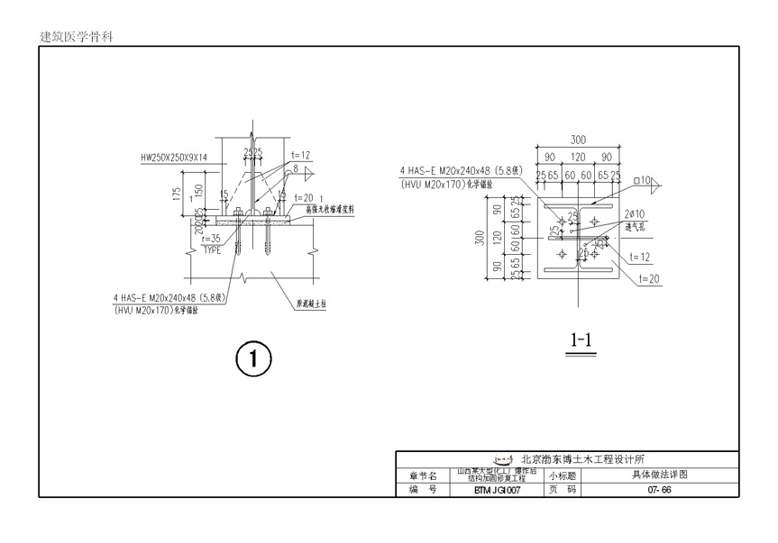
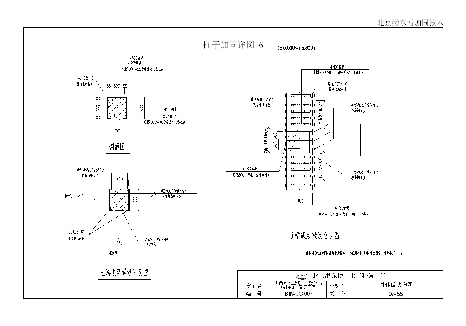
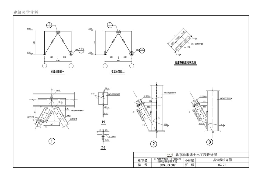
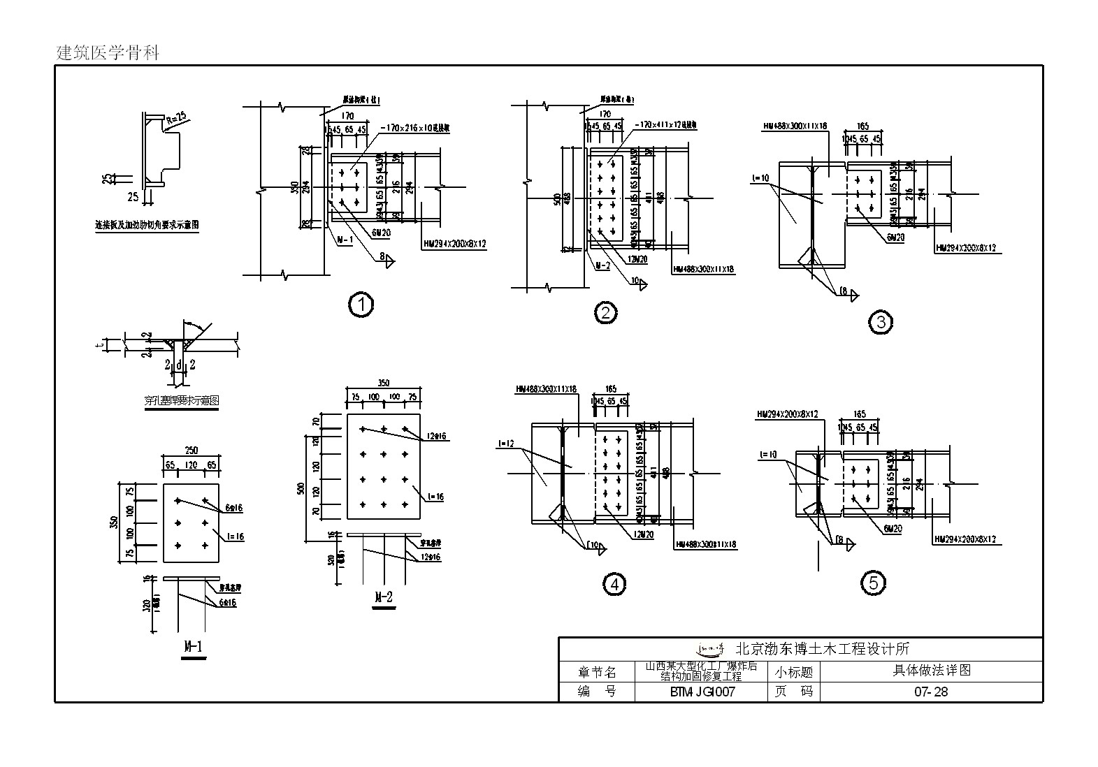
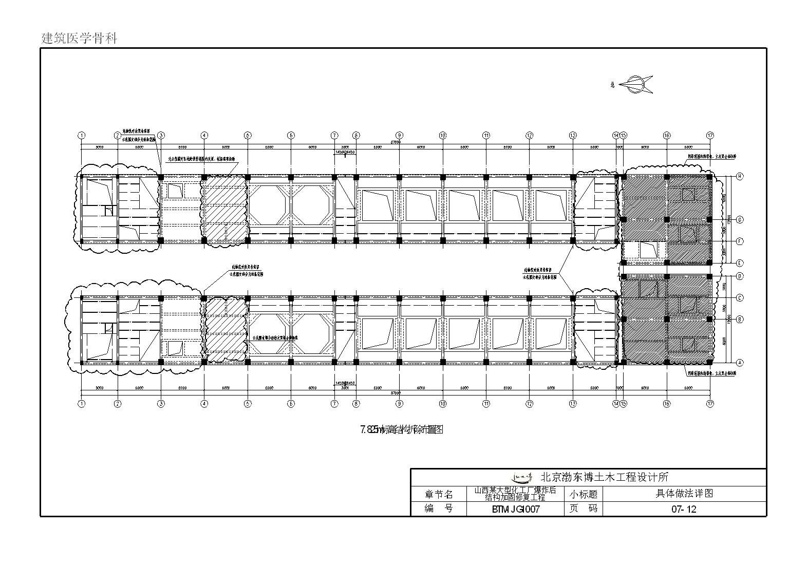
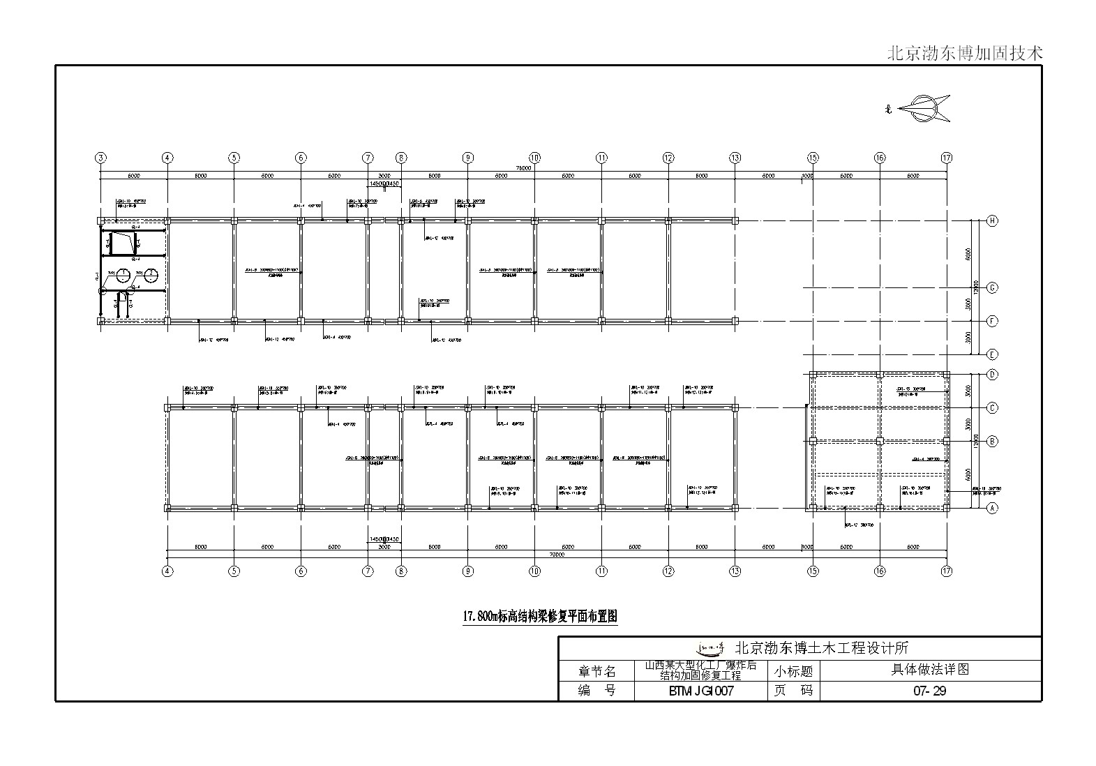
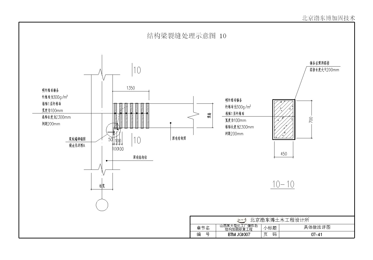
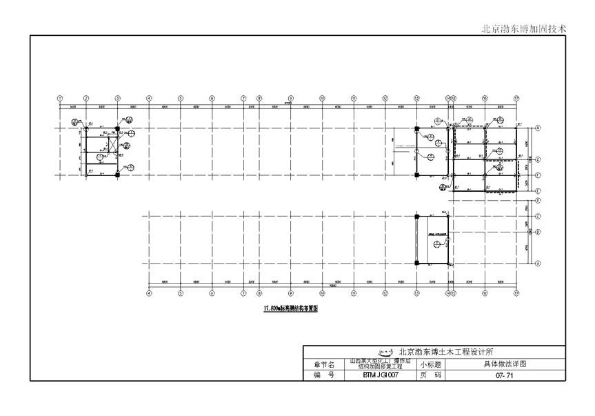
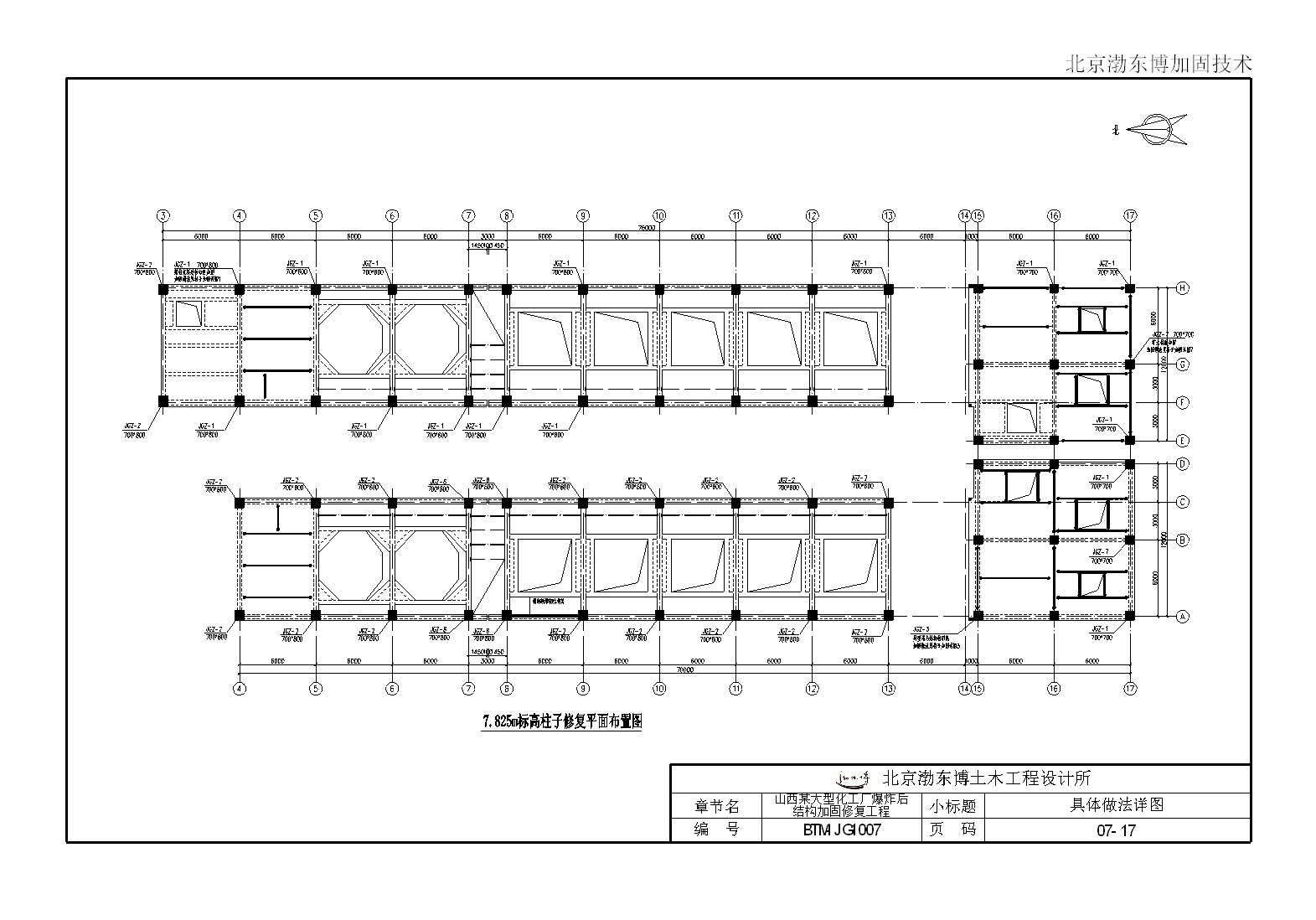
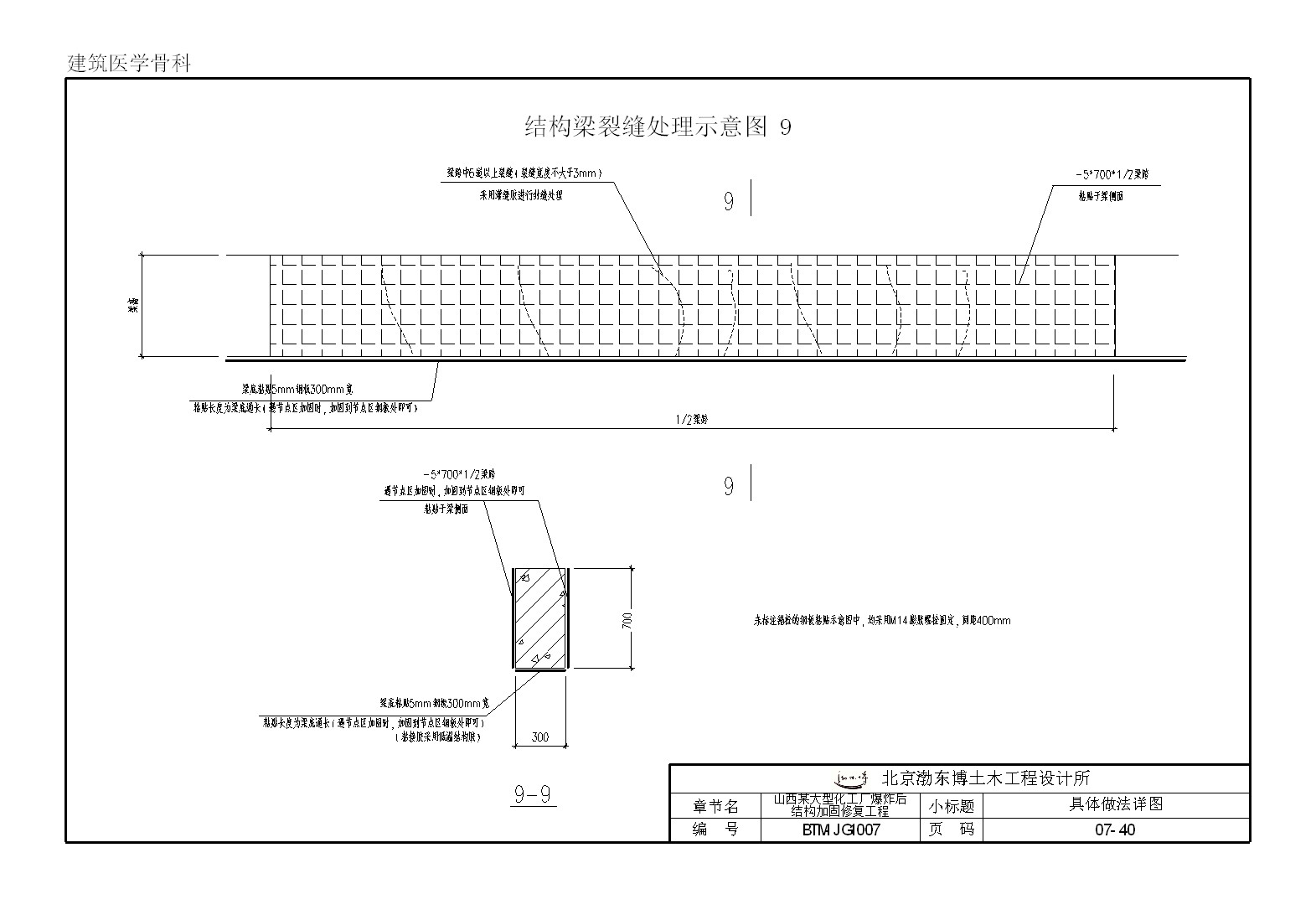
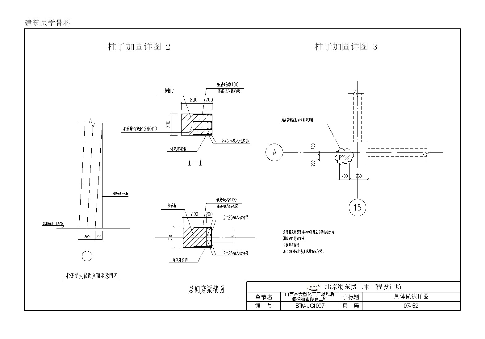
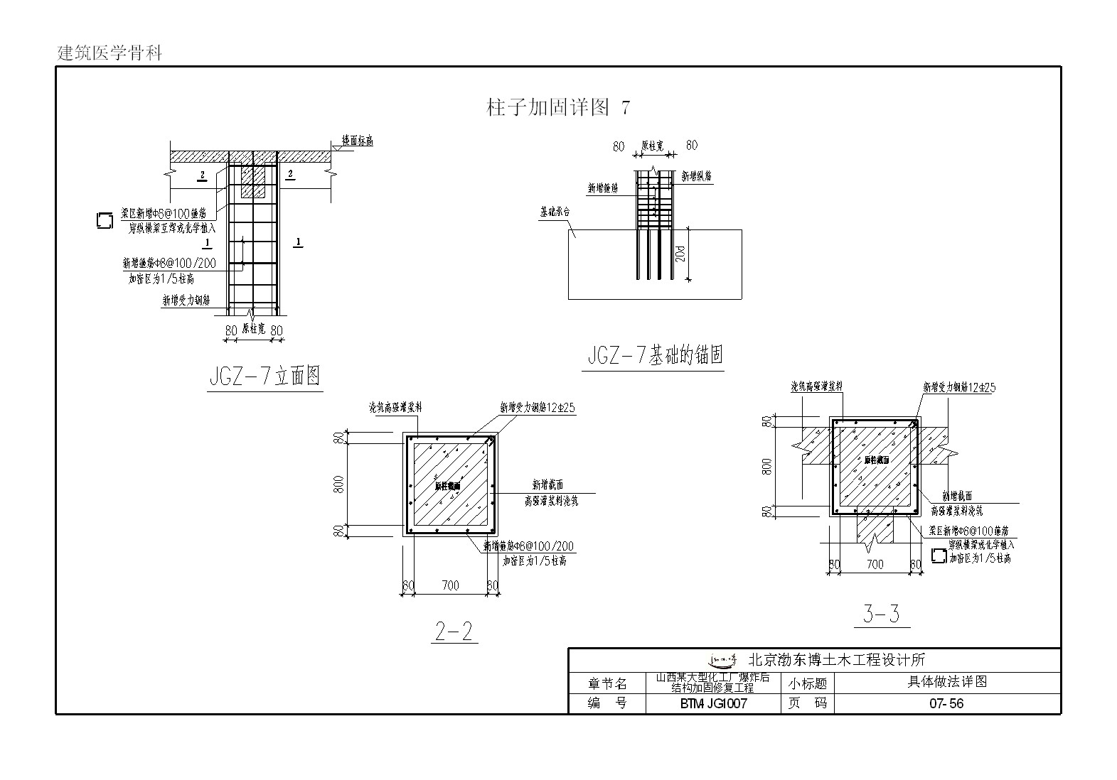
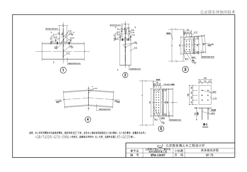
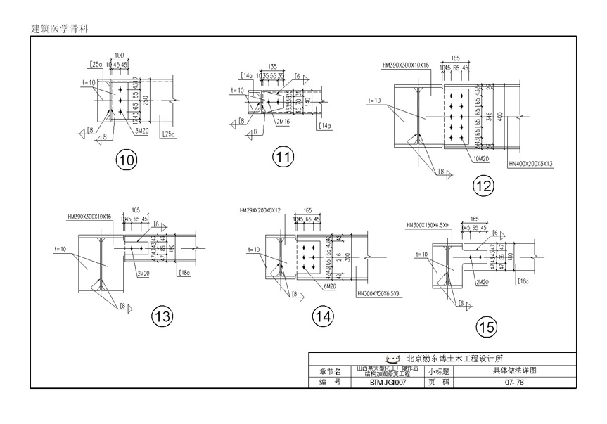
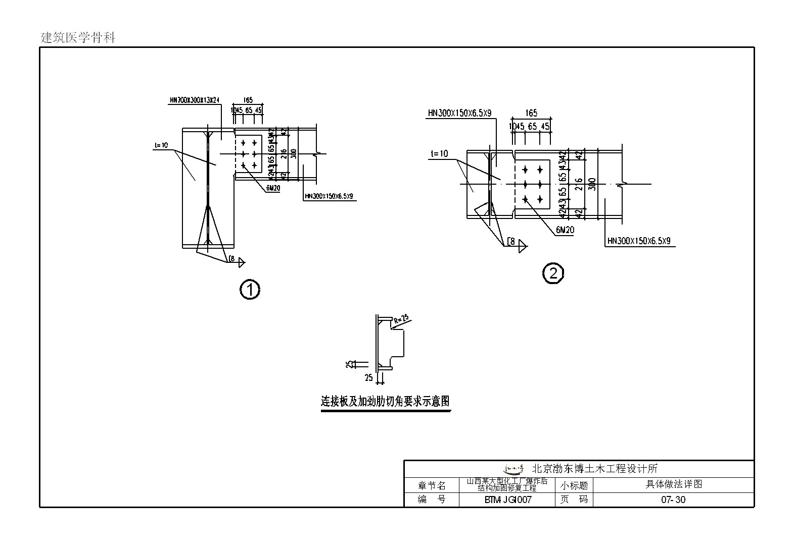
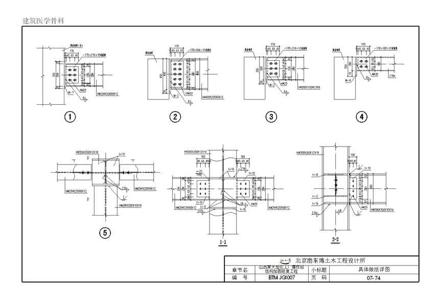
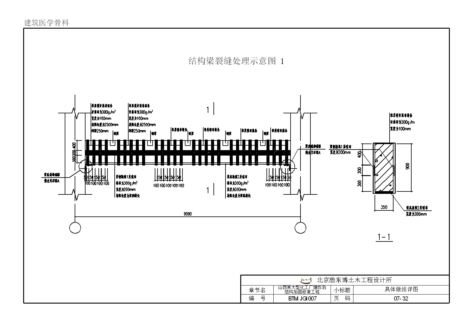
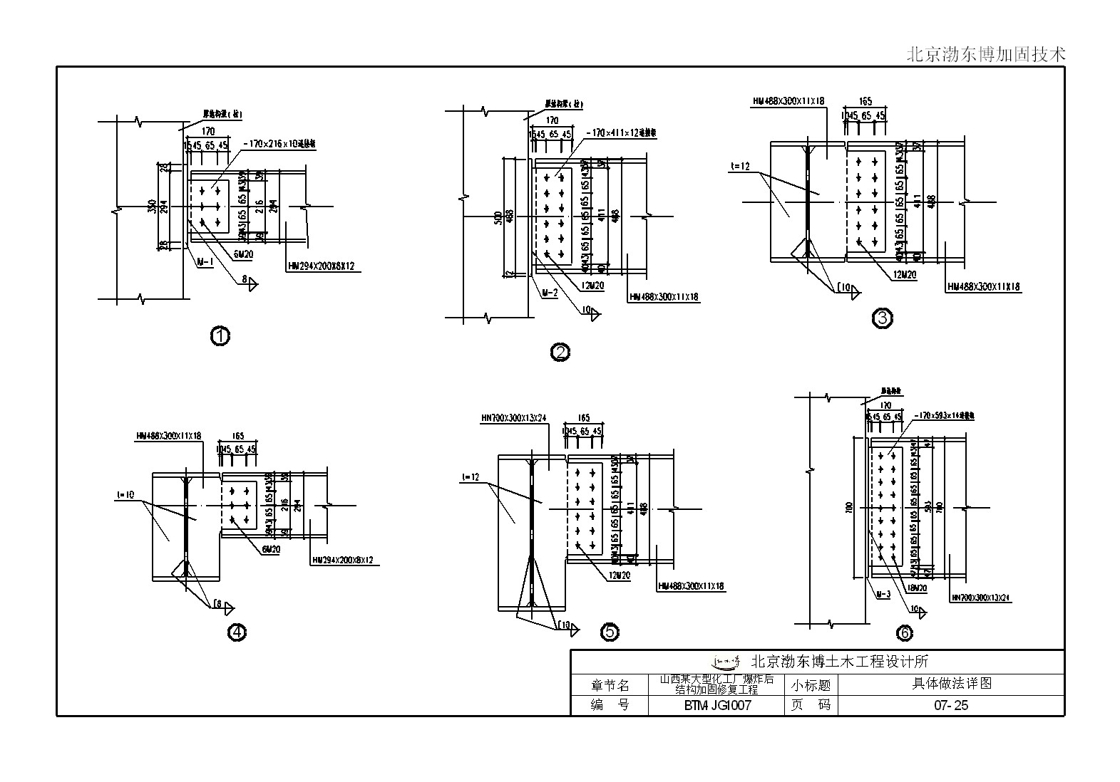
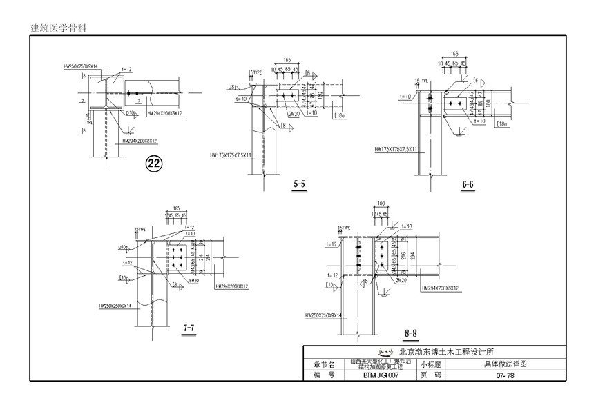
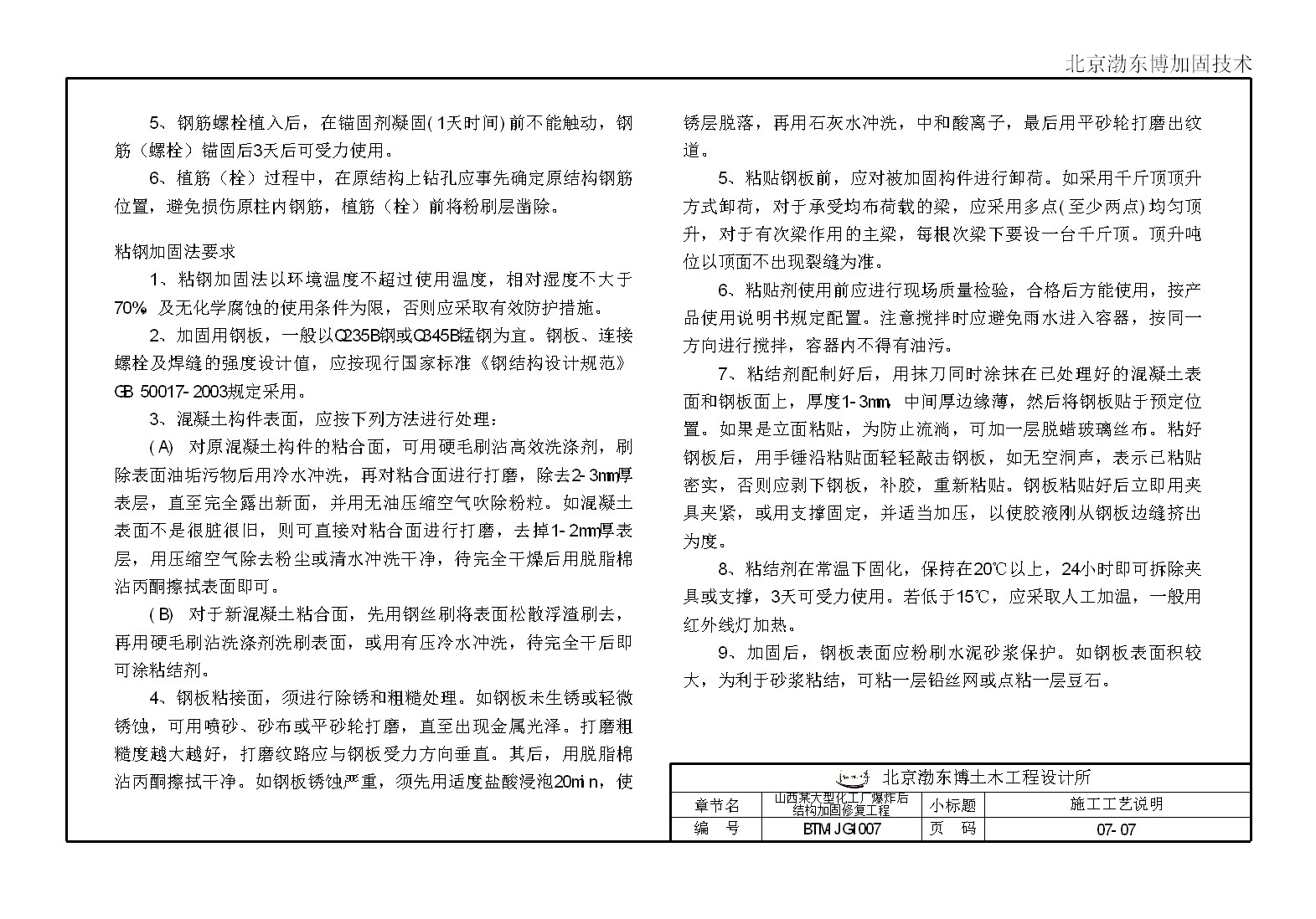
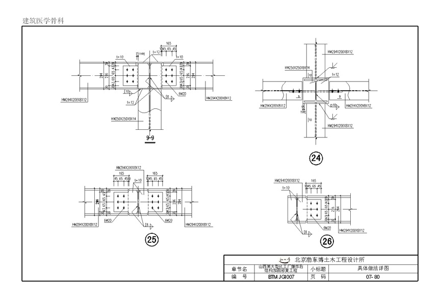
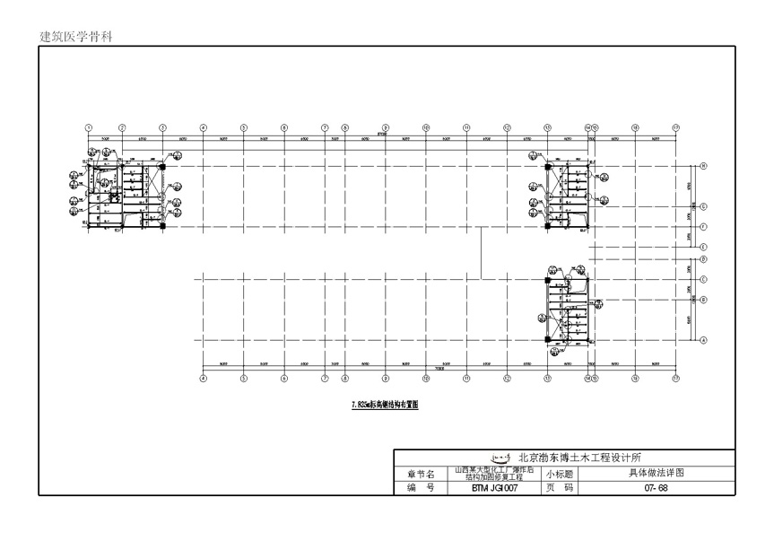
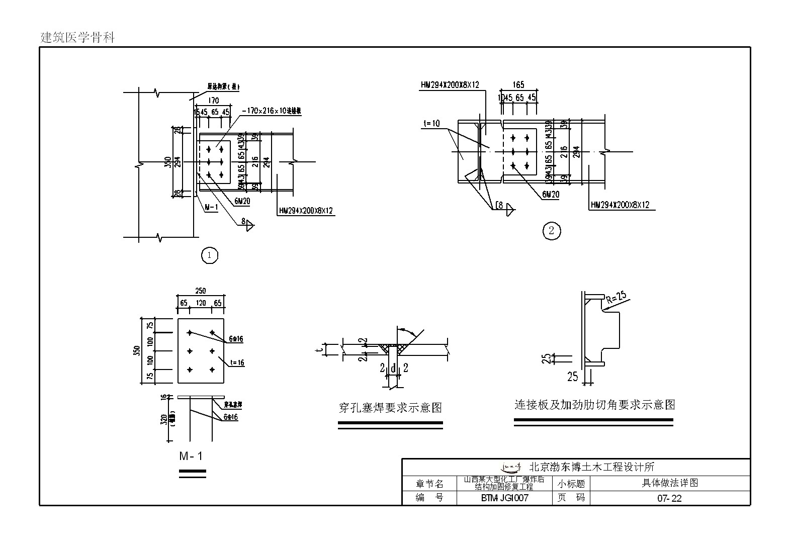
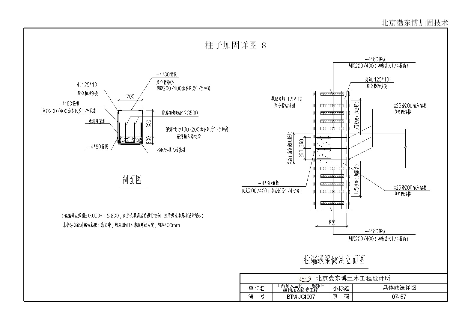
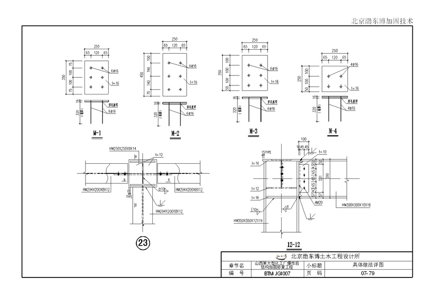
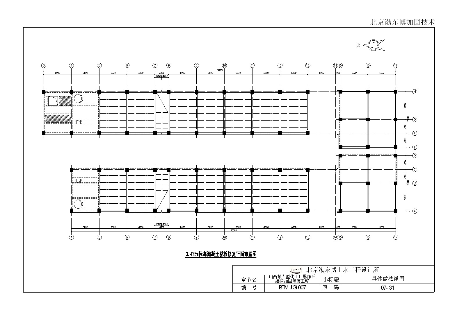
山西某大型化工厂爆炸后结构加固修复工程
版权所有:九游平台
邮箱:jiagu@bodongbo.com
传真:010-64403408
电话:400-610-6025 800-810-6025 010-64403428
地址:北京市朝阳区北苑东路19号院2号楼1206室(中国铁建广场C座)
京ICP备2022035419号-1
kaiyun开云官方网站
|
星空体育(中国)官方网站
|
开云(中国)Kaiyun·官方网站
|
拼搏
|
kaiyun开云网页版
|
开云手机登录入口
|
开云网页版登录入口
|
开云·体育
|
完美网页版登录入口_完美(中国)
|